最新资讯
联系我们
-
瓮安格鲁夫机械设备制造有限公司
地址:莲池区焦庄乡阮庄村
手机:133-3122-5020
E-Mali:china@gelufu.com
电话:0312-6784766
传真:0312-6784733

当前位置: 首页 > 产品展示 > 蜗轮减速机 > 正文
瓮安WHT减速机
浏览次数:257764 时间:2017-10-22
概述
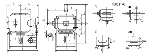
WHT蜗轮减速机,符合部颁JB2318-79,达到化、系列化的要求。适用于冶金、矿山、起重、运输、化工、建筑等各种机械设备的减速传动。本系列减速机输入功率范围在0.4-163KW之间;输入扭矩在11-2600kgf·m之间,输入轴转数一般不大于1500转/分;速轴可正反两向运转;工作环境温度低于0℃时,起动前润滑油必须加温到0℃以上。 WHT系列圆弧圆柱蜗轮减速机型号说明及标记示例(JB2318—79) ![]()
圆弧圆柱蜗杆减速机Ⅴ—Ⅷ式安装型式及尺寸(JB2318—79)
![]()
|